Dit is een oude revisie van het document!
Bandbreuk detectie in N4506 serie
De serie recorders waar de N4506 bij hoort heeft een automatische afslag bij bandbreuk. Bandbreuk komt niet zo vaak voor, maar het werkt ook bij het einde van een band zonder schakelstrip. De recorder stop na 5-10 seconden automatisch als de band “op” is.
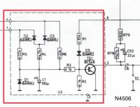
In de servicemanual van de N4506 is de schakeling beschreven:
De schakeling van spoelmotoren en de U2 module waarop de bandbreuk-detectie op zit.
Later is deze schakeling aangepast. In de servicemanual van de N4512 ziet de schakeling er zo uit:




